Product(S)D / (S)HD / (S)B TYPEの製品紹介
自然換気用・危険物倉庫用自然換気
電力不要・補修交換なしで長期間使用可能
(S)D / (S)HD / (S)B TYPE
D型,SD型(固定式)

HD型,SHD型(固定式)

B型,SB型(回転式)

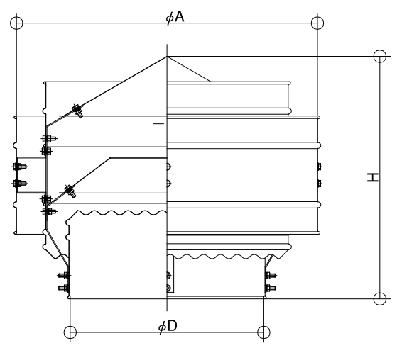
外形寸法表
<D型,SD型>

外形寸法表
<B型,SB型>

外形寸法表<HD型,SHD型>

- 特に強制換気を必要としないところや外気の流入が少ないところ等、または強制給気と併用して使用する場合等に適しています。
- 多量の水蒸気が発生し、モーターの使用が不可能なところでご使用いただけます。
- 自然換気方式の為騒音の心配はありません。また、電力が不要の為、取付後は補修交換の必要がなく、長期間ご使用いただけます。
- 雨、風が吹き込みにくい堅牢な構造となっています。
- 標準はガルバリウム鋼板製です。また、ステンレス製も承ります。
- 各種用途、場所等、ご注文に応じて標準仕様以外の寸法も製作致します。
建物の用途による毎時間当たりの換気回数

各地の平均風速(m/s)

袴寸法表<D型,SD型>

袴寸法表<HD型,SHD型>

※風量・その他数値に関して、弊社の測定基準に基づいて行った実測値です。電圧やその他の条件によって異なる場合があります。
※比較数値はサイト表記スペックを採用し、測定は弊社独自評価にて表記したものです。
※写真・イラストはすべてイメージです。
※デザイン・仕様は改良のため予告なく変更することがありますので、あらかじめご了承ください。
Contactお問い合わせ・ご相談
設置前のご相談CONTACT
ヒアリング
現場視察HEARING
全国どこでも対応可能!
ご要望やご予算・お悩みなどについてお伺いいたします。また、サイシュウテクノでは必ず現場の状況を実際に拝見し、機器の設置台数や場所についてご提案しております。
プランニングPLANNING
設置台数の目安や工事の有無などを事前に確認したいなど、まずはお気軽にご相談ください!






